Mobile sand aerators with separtor STO

APPLICATION
Mobile sand aerators with electromagnetic separator, type STO-6, are intended for foundries applying the processing of backing sand at moulding stands. The process is based on screening, separating ferromagnetic elements, comminution, cooling and aering the sand.
PRINCIPLE OF OPERATION
Lumps and greater pieces of metal are separated from the moulding sand loaded by spades onto the vibrating screen and carried away beyond the machine. In the sand aerator STO-6 the sieved out sand falls on the magnetic separator drum which attracts the ferromagnetic elements and throw them away, and the cleaned sand is poured down on a comb belt and through the shredder is thrown out in front of the machine. Strong dissipation of the sand stream causes its aeration and intense cooling.
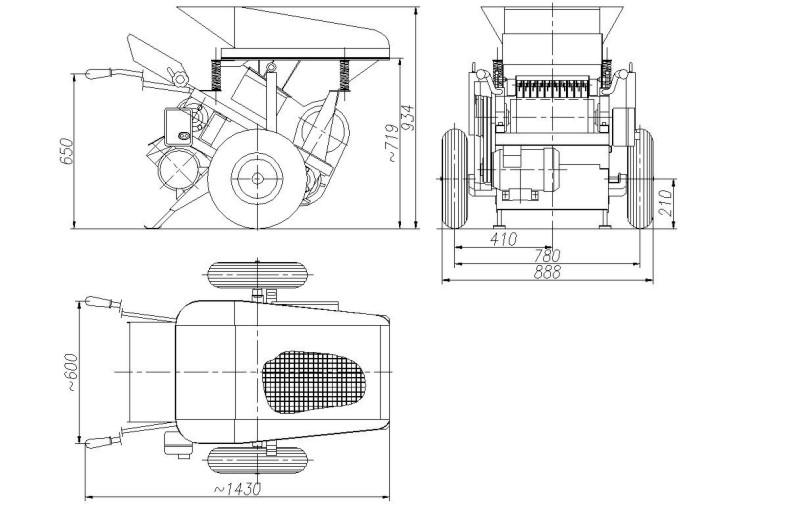
TECHNICAL DATA
| Parameter | Unit | STO-6 |
| Aerator output | m3/h | 6 |
| Belt width | mm | 300 |
| Belt speed | m/s | 7 |
| Mesh size | mm | 20x20 |
| Power installed | kW | 1,5 |
| Supply voltage; frequency | V, Hz | 3x400/230;50 |
| Total weight | kg | 240 |