Self-discharging knockout grids KWS

APPLICATION
Self-discharging knockout grids are designed for knocking out castings from moulds and their preliminary cleaning from the moulding sand while they are moving on the vibrating grid grate. They are applied in mechanized and automated moulding lines.

PRINCIPLE OF OPERATION
Knocking out of castings, their preliminary cleanning and the moulding sand comminution takes place due to the collision of the shaking grate with the moulding box weight and the casting. The grate vibration is generated by the synchronized forces of inertia of unbalanced masses of the vibrator unit installed in the grate body supported on elastic bearings. Due to the oriented exciting force the castings are shifted on the grate towards the chute, and the moulding sand falls down through the grate to the chute mounted in the bottom of the grate. Roughly cleaned castings and knocked out sand are collected from the grid by the collaborating transport devices.

TECHNICAL DATA

Parametr Unit KWS-2 0836 KWS-2 5208 KWS-2,5 1050 KWS-2,5 1255
Load capacity kg 2000 2000 2500 2500
Amplitude of  vibration mm ok. 3 3,5 3,0-3,5 3,5
Frequency Hz 16 16 16 16
Nominal dimensions of the grid mm 3600x800 5000x800 5000x1000 5100x1200
Installed power kW 2 x 5,5=11,0 2 x 7,5=15,0 2 x 11,0=22,0 2x7,6=15,2
Weight kg 2600 3680 4968 5259


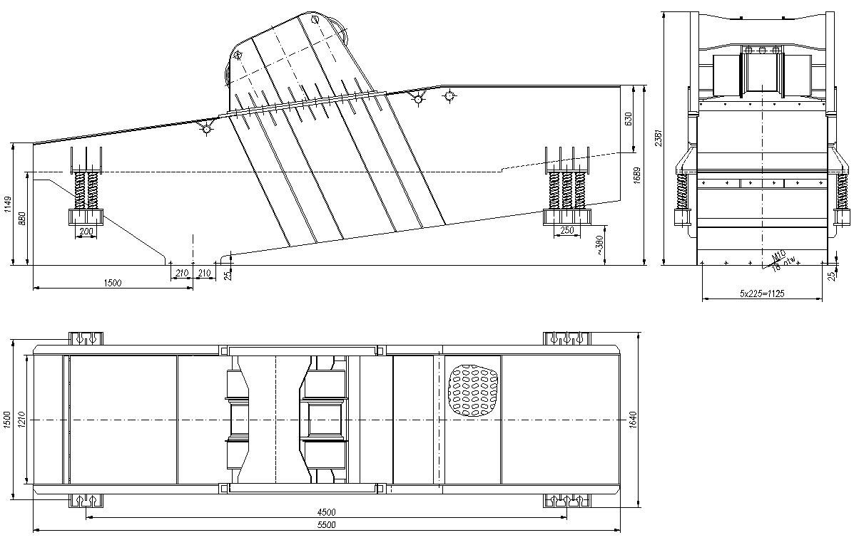
KWS-2/5208

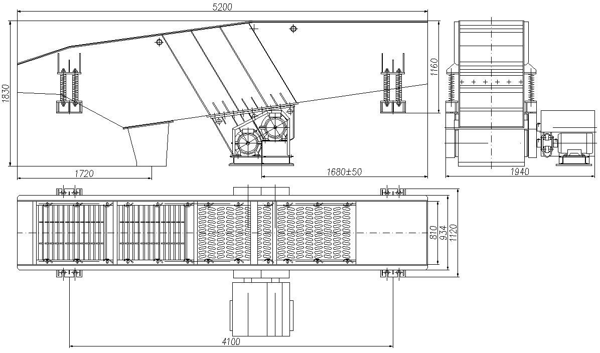
KWS-2,5/1050

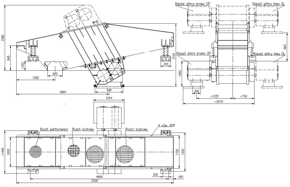
KWS-2,5/1255